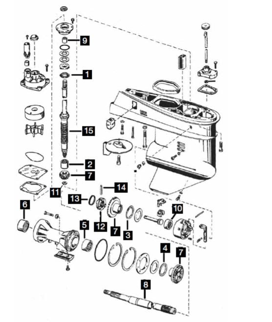
Johnson-Evinrude Gearcase: 3 CYL 50-70HP 1979-01
Description
1. Upper Drive Shaft Thrust Bearing: list price $19.95, replaces OEM # 385068
2. Pinion Bearing: list price $12.45, replaces OEM # 382343
3. Forward Thrust Bearing: list price $21.35, replaces OEM # 385043
4. Reverse Thrust Bearing: list price $5.45, replaces OEM # 382408
5. Fore Carrier Bearing: list price $13.65, replaces OEM # 382407
6. Aft Carrier Bearing: list price $11.95, replaces OEM # 379504
7. Gear Set: list price $315.70
8. Prop Shaft: list price $298.50, replaces OEM # 439185
9. Drive Shaft Cap Bearing: list price $16.90
10. Shifter Bearing: list price $13.65
11. Pinion Nut: list price $8.90, replaces OEM # 313339
12. Clutch Dog: list price $69.95, replaces OEM # 318303
13. Clutch Dog Spring: list price $2.52, replaces OEM # 324369
14. Clutch Dog Pin: list price $2.83, replaces OEM # 313448
15. 20″ Drive Shaft 1989-UP: list price $295.00, replaces OEM # 437376
NOT PICTURED IN DIAGRAM
Gearcase Seal Kit: list price $38.95, replaces OEM # 5000309
Water Pump Kit: list price $59.90, replaces OEM # 432955
Bearing Kit: list price $85.55, replaces OEM # 385068 # 382343 # 385043 # 382408 #382407 # 379504
